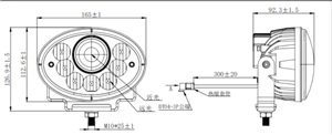
Item no. : SM-CN7041- ODA
Dimension(Inch) : 165*112.6(126.9)*92.3mm
Function: High and low beam
Working Voltage: 12-36V
Certificated: ECE-R149, IP67
Agricultural, construction and mining lighting